Компенсаторы - предназначены для предотвращения передачи механических вибраций по трубопроводным системам. Подразделяются на антивибрационные компенсаторы изготовленые из резины резьбовой и сильфоные изгтовленые из нержавеющей стали. Сильфонные компенсаторы предназначены для компенсации тепловых удлинений трубопроводов, возникающих в результате изменений температуры перемещаемой среды.Компенсаторы выбираются в соответствии с диаметром трубопровода, на котором они устанавливаются. Их количество
определяется в зависимости от расчетного удлинения трубопровода и компенсирующей способности, которая
принимается равной половине номинального осевого удлинения, указанного в технических характеристиках.
![]() |
Модель 2831 / Артикул 2831 Муфтовый резиновый компенсатор с резьбовым соединением Rubber Expansion Joint, DIN Flanges ends. Производство: Испания |
![]() |
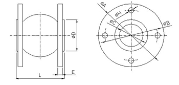
| № | Описание | Размеры |
| 1 | Резиновый компенсатор | ![]() |
| 2 | Кoрпус- EPDM, соединения- углеродистая сталь. | |
| 3 | Фланцевое соединение согласно DIN 2501 PN 10. |
|
| 4 | Макс.рабочее давление 10 Kg/cm2 | |
| 5 | Макс.рабочая температура -10ºC+105ºC. |
| Модель | Диаметр,резьбы | DN | PN | A | B | C | D | nx H | L | E | Вес |
| 2831 07 | 1 1/4" | 32 | 10 | 140 | 100 | 40 | 69 | 4 x 18 | 95 | 16 | 3.10 |
| 2831 08 | 11/2" | 40 | 10 | 150 | 110 | 40 | 69 | 4 x 18 | 95 | 16 | 3.80 |
| 2831 09 | 2" | 50 | 10 | 165 | 125 | 52 | 86 | 4 x 18 | 105 | 18 | 4.25 |
| 2831 10 | 2 1/2" | 65 | 10 | 185 | 145 | 68 | 106 | 4 x 18 | 115 | 18 | 5.80 |
| 2831 11 | 3" | 80 | 10 | 200 | 160 | 76 | 116 | 4 x 18 | 130 | 20 | 6.00 |
| 2831 12 | 4" | 100 | 10 | 220 | 180 | 103 | 150 | 8 x 18 | 135 | 20 | 6.75 |
| 2831 13 | 5" | 125 | 10 | 250 | 210 | 128 | 180 | 8 x 18 | 160 | 22 | 9.50 |
| 2831 14 | 6" | 150 | 10 | 285 | 240 | 152 | 209 | 8 x 23 | 185 | 22 | 12.85 |
| 2831 16 | 8" | 200 | 10 | 340 | 295 | 194 | 260 | 8 x 23 | 200 | 24 | 16.85 |
| 2831 18 | 10 | 250 | 10 | 395 | 350 | 250 | 320 | 12 x 23 | 240 | 26 | 23.70 |
| 2831 20 | 12" | 300 | 10 | 445 | 400 | 300 | 367 | 12 x 23 | 260 | 26 | 29.65 |
| 2831 22 | 14" | 350 | 10 | 505 | 460 | 320 | 408 | 16 x 23 | 255 | 28 | 39.70 |
| 2831 24 | 16" | 400 | 10 | 565 | 515 | 372 | 472 | 16 x 28 | 255 | 32 | 51.30 |
| 2831 26 | 18" | 450 | 10 | 615 | 565 | 415 | 522 | 20 x 28 | 255 | 36 | 72.40 |
| 2831 28 | 20" | 500 | 10 | 670 | 620 | 454 | 570 | 20 x 28 | 255 | 38 | 88.65 |
| № | Наименование | Материал | Чертёж |
| 1 | Корпус | EPDM |
|
| 2 | Кольцо | Углеродистая сталь | |
| 3 | Фланец | Углеродистая сталь |





